Pumpa i maskinrum

Diskussionsforum - Registera dig för att läsa och skriva på forumet.
Post Reply
leffe
Posts: 4
Joined: 04 Nov 2009, 21:23

Pumpa i maskinrum

Post by leffe »

I maskin på trålare byggd i holland 1960 har Jag två Pickuper för att pumpa Bilge

Bilge FW+stern har halvmeterlånga 10mm kopparrör
anslutna på pickuperna.Rören leder ingenstans,bara kapade.
Hur har dom fungerat.Kännt av tryck och berättat
för nånting att det är dags att pumpa,eller?
Attachments
DSCF1686.jpg
DSCF1686.jpg (56.37 KiB) Viewed 10940 times
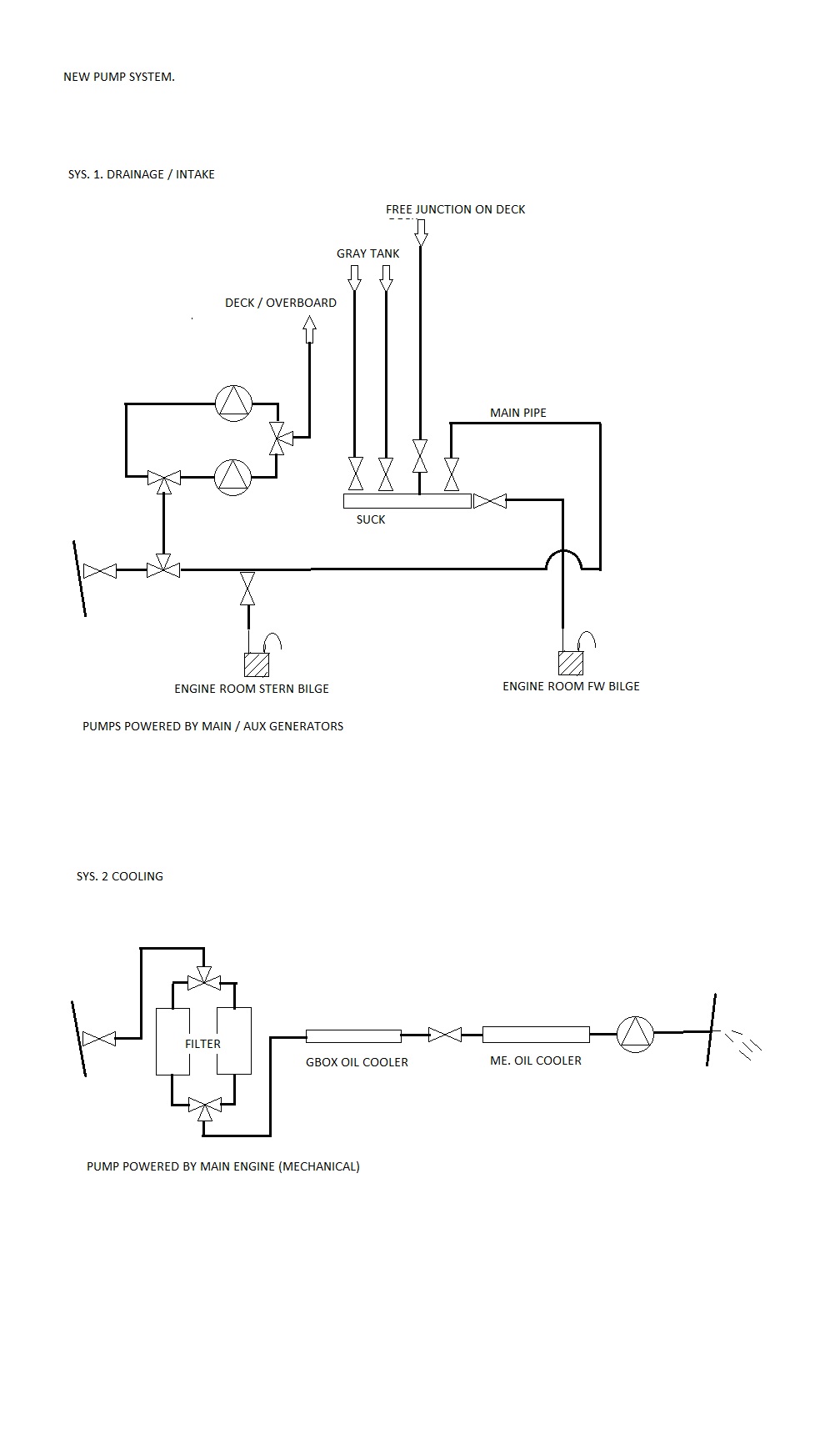
new system.jpg
leffe
Posts: 4
Joined: 04 Nov 2009, 21:23

Re: Pumpa i maskinrum

Post by leffe »

För att lugna dom 409 personer som tittat och läst,men ej svarat,meddelas följande.
Kopparrören byts och kopplas till Pressostater(tryckgivare,ställbara)Dessa känner av höjningen
av lufttrycket i matarröret när detta vattenfylls och kan då larma om pumpstart.
Dom kan såklart starta pumpen direkt men innehåller vattnet olja är det ju inte så bra.
Sov gott allihopa.
golden oil
Posts: 55
Joined: 14 Dec 2009, 19:01

Re: Pumpa i maskinrum

Post by golden oil »

det kan inte vara så att länsröret slutar en bit upp i ytterröret för att länsen slutar att ta innan oljan på ytan sugs upp.kopparröret är bara en avluftning ..
Post Reply